南京轴承厂 南京轴承有限公司 南京哈宁轴承制造有限公司 南京工艺装备制造有限公司
设为首页 加入收藏夹 联系我们
电话:025-52217447、86629730 QQ:349831866
图文传真:025-52300551 联系人:刘长岭 13801591302
首页 | 产品大全 | 贸易知识 | 技术知识 | 轴承知识 | 行业新闻 | 国内新闻 | 哈宁新闻 | 样本下载 | 轴承样本 | 现货信息 | 供应信息 | 价格信息 | 营业执照 | 企业商标 | 汇款资料 | 产品介绍 | 联系我们 | 价格表 | 微薄 |
搜索:

销售电话:138 0159 1302

您现在的位置是:首页 --->产品大全

产品信息及联系方式

ASNU系列离合器ASNU8、ASNU12、ASNU15、ASNU17、ASNU20、ASNU25、ASNU30、ASNU35、ASNU40、ASNU45、ASNU50、ASNU60、ASNU70、ASNU80、ASNU90、ASNU100、ASNU120、ASNU150、ASNU200
生产厂家:南京哈宁轴承制造有限公司
公司地址:江苏省南京市莫愁路195号
联系电话:025-86629730
公司传真:025-52300551
联 系 人:刘长岭
联系邮件:lcl@8767.com
产品价格:¥.00
网上报价:¥.00
产品信息及联系方式

ASNU系列离合器
(ASNU8至ASNU200)

 

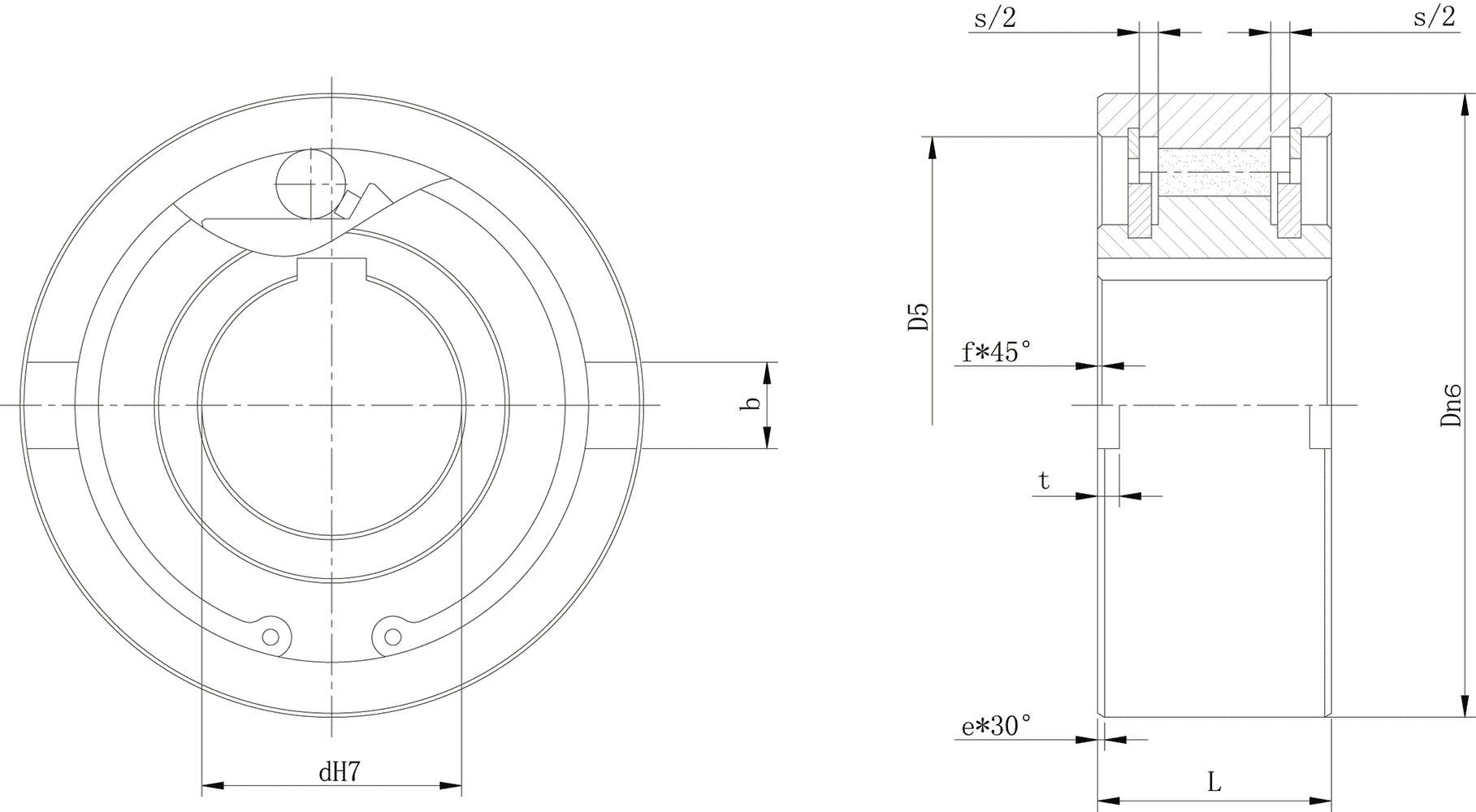
性能及尺寸

型号

扭矩能力(N.m)

最大超越速度(r/min)

拖动力(N.cm)

尺寸值(mm)

配合轴径(dh7

内圈

外圈

Dn6

L

D5

s

e

f

b

t

 

ASNU   8

12

3300

5000

1.6

35 

13 

28

2.4

0.6

0.3

4

1.4

ASNU  12

12

3300

5000

1.6

35 

13 

28

2.4

0.6

0.3

4

1.4

12 

ASNU  15

30

2400

3600

1.9

42 

18 

37

2.4

0.8

0.3

5

1.8

15 

ASNU  17

49

2300

3400

1.9

47 

19 

40

2.4

1.2

0.8

5

2.3

17 

ASNU  20

78

2100

3100

1.9

52 

21 

42

2.4

1.2

0.8

6

2.3

20 

ASNU  25

125

1700

2600

5.6

62 

24 

51

2.4

1.2

0.8

8

2.8

25 

ASNU  30

255

1400

2200

14

72 

27 

60

2.4

1.8

1

10

2.5

30 

ASNU  35

383

1200

1900

16

80 

31 

70

2.4

1.8

1

12

3.5

35 

ASNU  40

538

1100

1700

38

90 

33 

78

2.5

1.8

1

12

4.1

40 

ASNU  45

780

1000

1600

43

100 

36 

85

2.5

1.8

1

14

4.6

45 

ASNU  50

1013

850

1350

55

110 

40 

92

2.5

1.8

1

14

5.6

50 

ASNU  60

1825

750

1050

110

130 

46 

110

3.6

2.6

1.5

18

5.5

60 

ASNU  70

2300

600

950

140

150 

51 

125

3.6

2.6

1.5

20

6.9

70 

ASNU  80

3275

550

850

180

170 

58 

140

3.6

2.6

1.5

20

7.5

80 

ASNU  90

5325

500

750

230

190 

64 

160

3.6

2.6

2

20

8

90 

ASNU 100

7250

450

680

380

215 

73 

175

3.6

2.6

2

24

8.5

100 

ASNU 120

13500

370

550

650

260 

86 

215

3.6

2.6

2.5

28

10

120 

ASNU 150

26625

300

460

1000

320 

108 

260

3.6

3.6

2.5

32

12

150 

ASNU 200

44500

230

350

2000

420 

138 

350

7.6

3.6

3

45

16

200 

安装及使用

1.ASNU离合器是滚柱/星轮式离合器(ramp&roller),内部不含轴承支撑。安装时需要轴承配合以承受轴向及径向力。

2.ASNU离合器的公称外径与63型深沟球轴承一致。

3.ASNU离合器外圈具有n6级公差,以便于压入H7级公差的轴承孔。

4.ASNU离合器外圈两侧,具有附加凹槽,使其能够更有效地传递扭矩。

5.如轴承孔的公差等级为K6,则无必要利用凹槽,但请确保轴承孔具有足够的强度不在安装后扩大。

6.此类结构内外圈能够接受的同轴度为±s/2

 

有关润滑

1.ASNU离合器在使用时需要润滑和密封。

2.ASNU离合器在出货时已经浸油,但在使用之前必须将润滑油添加到必要水平。

产品分类
  微型深沟球轴承   深沟球轴承   调心球轴承   圆柱滚子轴承   调心滚子轴承   滚针轴承   角接触球轴承
  圆锥滚子轴承   推力球轴承   平面滚子轴承   偏心轴承   直线轴承   含油轴承   杆端轴承
  滚轮轴承   不锈钢轴承   叉车轴承   单向轴承   导轨滑块   组合轴承   英制球轴承
  汽车轴承   塑料轴承   高温轴承   关节轴承   滑动轴承座   外球面轴承   部分式轴承座
  紧定套   退卸套   外球面轴承座   外球面轴承带座   胀套   分离轴承   推力滚子轴承
  丝杠轴承   交叉滚子轴承   罗拉轴承   滚珠丝杆   转盘轴承   十字架轴承   双列球轴承
  钻具轴承   直线滑块   冲压轴承座   企业证书   推力关节轴承   轴承技术参数   非标轴承
  长圆柱滚子轴承   推力关节轴承   锌合金轴承座   轴承型号对照表   轴承座框架   英制圆锥滚子轴承   双列满滚子轴承
  直线轴承支撑   退卸套附件   水泵轴承   轴承附件   串联轴承   万向节   输送机专用轴承座
  回转支承   逆止器   弹性膜片联轴器   在线支付   滚动花键副   滚珠丝杠副   滚动直线导套副
  轴承加热器   薄壁角接触球轴承   薄壁深沟球轴承
关于我们 - 设为首页 - 加入收藏 - 营业执照 - 企业商标 - 汇款资料 - 产品介绍 - 联系我们 - 友情连接 - 企业库 - VIP会员
单位汇款资料:南京哈宁轴承制造有限公司 开户行及帐号:工行朝天宫分理处4301021409100005958
个人汇款资料:中国农业银行南京白下分行 6228460390011617510 刘长岭 苏ICP备16004265号-1