南京轴承厂 南京轴承有限公司 南京哈宁轴承制造有限公司 南京工艺装备制造有限公司
设为首页 加入收藏夹 联系我们
电话:025-52217447、86629730 QQ:349831866
图文传真:025-52300551 联系人:刘长岭 13801591302
首页 | 产品大全 | 贸易知识 | 技术知识 | 轴承知识 | 行业新闻 | 国内新闻 | 哈宁新闻 | 样本下载 | 轴承样本 | 现货信息 | 供应信息 | 价格信息 | 营业执照 | 企业商标 | 汇款资料 | 产品介绍 | 联系我们 | 价格表 | 微薄 |
搜索:

销售电话:138 0159 1302

您现在的位置是:首页 --->产品大全

产品信息及联系方式

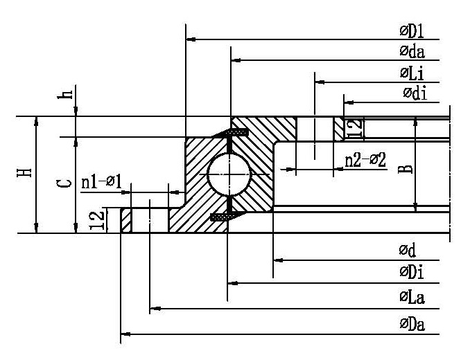
单列四点接触球型回转支承SR20/326、SR25/485、SR20/474、SR25/501、SR25/522、SR32/680、SR36/790、SR36/933、SR36/1090、SR45/1238、SR40/1330、SR50/1600、SR20/1290、SR36/1462、SR45/1725、SR36/1462、SR25/2032、SR40/2116、SR25/2400、SR30/3005
生产厂家:南京哈宁轴承制造有限公司
公司地址:江苏省南京市莫愁路195号
联系电话:025-86629730
公司传真:025-52300551
联 系 人:刘长岭
联系邮件:lcl@8767.com
产品价格:¥.00
网上报价:¥.00
产品信息及联系方式

外型尺寸Dimension (mm) 重量Weight (kg)

Fig no.

轴承代号Bearing code

Da La na* Li di ni*     HRBN INA
518 490 8 332 304 12 23.4 1 SLR20/518 VLU220411
648 620 10 462 434 14 31 1 SLR20/648 VLU220541
748 720 12 562 534 16 36.4 1 SLR20/748 VLU220641
848 820 12 662 634 16 42.8 1 SLR20/848 VLU220741
1048 1020 16 862 834 20 53.1 1 SLR20/1048 VLU220941
1198 1170 16 1012 934 20 61.9 1 SLR20/1198 VLU221091
948 920 14 762 734 18 47.8 1 SLR20/948 VLU220841
1100 1060 30 845 805 30 131 2 SLR30/1100 VLU300955
1200 1160 30 945 905 30 145 2 SLR30/1200 VLU301055
1300 1260 36 1045 1005 36 159 2 SLR30/1300 VLU301155
1400 1360 42 1145 1105 42 172 2 SLR30/1400 VLU301255
1500 1460 42 1245 1205 42 186 2 SLR30/1500 VLU301355
1600 1560 48 1345 1305 48 200 2 SLR30/1600 VLU301455
950 920 8 762 732 8 58 3 SBI-020

产品分类
  微型深沟球轴承   深沟球轴承   调心球轴承   圆柱滚子轴承   调心滚子轴承   滚针轴承   角接触球轴承
  圆锥滚子轴承   推力球轴承   平面滚子轴承   偏心轴承   直线轴承   含油轴承   杆端轴承
  滚轮轴承   不锈钢轴承   叉车轴承   单向轴承   导轨滑块   组合轴承   英制球轴承
  汽车轴承   塑料轴承   高温轴承   关节轴承   滑动轴承座   外球面轴承   部分式轴承座
  紧定套   退卸套   外球面轴承座   外球面轴承带座   胀套   分离轴承   推力滚子轴承
  丝杠轴承   交叉滚子轴承   罗拉轴承   滚珠丝杆   转盘轴承   十字架轴承   双列球轴承
  钻具轴承   直线滑块   冲压轴承座   企业证书   推力关节轴承   轴承技术参数   非标轴承
  长圆柱滚子轴承   推力关节轴承   锌合金轴承座   轴承型号对照表   轴承座框架   英制圆锥滚子轴承   双列满滚子轴承
  直线轴承支撑   退卸套附件   水泵轴承   轴承附件   串联轴承   万向节   输送机专用轴承座
  回转支承   逆止器   弹性膜片联轴器   在线支付   滚动花键副   滚珠丝杠副   滚动直线导套副
  轴承加热器   薄壁角接触球轴承   薄壁深沟球轴承
关于我们 - 设为首页 - 加入收藏 - 营业执照 - 企业商标 - 汇款资料 - 产品介绍 - 联系我们 - 友情连接 - 企业库 - VIP会员
单位汇款资料:南京哈宁轴承制造有限公司 开户行及帐号:工行朝天宫分理处4301021409100005958
个人汇款资料:中国农业银行南京白下分行 6228460390011617510 刘长岭 苏ICP备16004265号-1