|
|
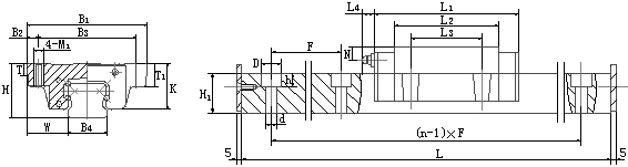
| GGB20导轨滑块轴承是最早开发研制的第一代滚动直线导轨副,也是应用最为广泛的一种类型。由于45°接触角的等分设计,使其具有垂直向上、向下和左右水、平四方向额定载荷相等、且额定载荷大,刚性好,刚度高,三个方向抗颠覆力矩能力强,该规格的产品又叫四方向等载荷型滚动导轨副 |
|
 | 生产厂家: | 南京哈宁轴承制造有限公司 |
| |  | 公司地址: | 江苏省南京市莫愁路99号 |
| |  | 联系电话: | 025-86629730、52217447、86622491 |
| |  | 公司传真: | 025-52300551(电话:86622492、86622493) |
| |  | 联 系 人: | 刘长岭 13801591302 |
| |  | 联系邮件: | hrbn@vip.qq.com |
| |  | 产品价格: | ¥.00 |
| |  | 网上报价: | ¥.00 |
| |
|

|
型 号 |
导轨副 |
滑块尺寸 |
重量 |
|
尺寸 |
|
H |
W |
B1 |
B2 |
B3 |
K |
T |
T1 |
M1 |
L1 |
L2 |
L3 |
滑块 |
导轨 |
|
个 |
米 |
|
GGB16AA |
24 |
15.5 |
47 |
4.5 |
38 |
19.4 |
7 |
11 |
M5 |
58.5 |
40.5 |
30 |
0.17 |
1.62 |
|
GGB20AA |
30 |
21.5 |
63 |
5 |
53 |
24 |
10 |
10 |
M6 |
71 |
50 |
40 |
0.33 |
2.3 |
|
GGB20AAL |
87 |
66 |
0.45 |
|
GGB25IAA |
37 |
23.5 |
70 |
6.5 |
57 |
30.5 |
12 |
16 |
M8 |
83 |
59 |
45 |
0.55 |
3.3 |
|
GGB25IAAL |
102 |
78 |
0.75 |
|
GGB25IIAA |
36 |
83 |
59 |
0.5 |
|
GGB25IIAAL |
102 |
78 |
0.7 |
|
GGB30AA |
42 |
31 |
90 |
9 |
72 |
35 |
10 |
18 |
M10 |
97 |
70 |
52 |
1 |
4.7 |
|
GGB30AAL |
119 |
92 |
1.3 |
|
GGB35AA |
48 |
33 |
100 |
9 |
82 |
38 |
13 |
21 |
M10 |
109 |
81 |
62 |
1.45 |
6.5 |
|
GGB35AAL |
133 |
105 |
1.9 |
|
GGB45IAA |
62 |
37.5 |
120 |
10 |
100 |
51 |
15 |
25 |
M12 |
137 |
102 |
80 |
2.6 |
11.2 |
|
GGB45IAAL |
165 |
130 |
3.4 |
|
GGB45IIAA |
60 |
137 |
102 |
2.4 |
|
GGB45IIAAL |
165 |
130 |
3.1 |
|
GGB55AA |
70 |
43.5 |
140 |
12 |
116 |
57 |
20 |
29 |
M14 |
161 |
118 |
95 |
4.3 |
15 |
|
GGB55AAL |
199 |
156 |
5.8 |
|
GGB65AA |
90 |
53.5 |
170 |
14 |
142 |
76 |
23 |
37 |
M16 |
199 |
147 |
110 |
7.3 |
22.2 |
|
GGB65AAL |
259 |
207 |
10.7 |
|
GGB85AA |
110 |
65 |
215 |
15 |
185 |
94 |
30 |
55 |
M20 |
247 |
179 |
140 |
16.5 |
35.5 |
|
GGB85AAL |
304 |
236 |
22.2 |
|
导轨尺寸 |
油杯尺寸 |
额定 |
额定 |
额定力矩 |
型号 |
|
动载 |
静载 |
|
d×D×h |
B4 |
H1 |
F |
单根 |
L4 |
G |
N |
C |
C0 |
MA |
MB |
MC |
|
最大 |
(KN) |
(KN) |
(N.m) |
(N.m) |
(N.m) |
|
长度Lmax |
|
|
|
|
|
|
4.5×7.5×5.3 |
16 |
15 |
60 |
500 |
2.5 |
Φ4 |
4 |
8.51 |
13.38 |
70 |
70 |
100 |
GGB16AA |
|
6×9.5×8.5 |
20 |
18 |
60 |
1400 |
11 |
M6 |
6 |
13.7 |
19.27 |
160 |
160 |
230 |
GGB20AA |
|
18.43 |
26.5 |
260 |
260 |
310 |
GGB20AAL |
|
7×11×9 |
23 |
22 |
60 |
3000 |
11 |
M6 |
7.2 |
20.19 |
22.6 |
149.8 |
149.8 |
246 |
GGB25IAA |
|
27.17 |
40.68 |
450 |
450 |
500 |
GGB25IAAL |
|
20.19 |
22.6 |
149.8 |
149.8 |
246 |
GGB25IIAA |
|
27.17 |
40.68 |
450 |
450 |
500 |
GGB25IIAAL |
|
9×14×12 |
28 |
26 |
80 |
3000 |
11 |
M6 |
7 |
28.08 |
46.33 |
430 |
430 |
650 |
GGB30AA |
|
37.77 |
61.77 |
720 |
720 |
870 |
GGB30AAL |
|
9×14×12 |
34 |
29 |
80 |
3000 |
11 |
M6 |
8 |
34.97 |
58.53 |
610 |
610 |
1030 |
GGB35AA |
|
46.43 |
76.54 |
1030 |
1030 |
1380 |
GGB35AAL |
|
14×20×16 |
45 |
38 |
100 |
3000 |
11 |
M6 |
12 |
60.14 |
94.57 |
1290 |
1290 |
2100 |
GGB45IAA |
|
80.83 |
126.09 |
2080 |
2080 |
2790 |
GGB45IAAL |
|
105 |
60.14 |
94.57 |
1290 |
1290 |
2100 |
GGB45IIAA |
|
80.83 |
126.09 |
2080 |
2080 |
2790 |
GGB45IIAAL |
|
16×23×20 |
53 |
44 |
120 |
3000 |
14 |
M8×1 |
12 |
92.62 |
137.57 |
2180 |
2180 |
3640 |
GGB55AA |
|
126.51 |
187.6 |
3650 |
3650 |
4860 |
GGB55AAL |
|
18×26×22 |
63 |
53 |
150 |
3000 |
14 |
M8×1 |
12 |
154.13 |
221.89 |
4170 |
4170 |
6800 |
GGB65AA |
|
220.24 |
322.75 |
7300 |
7300 |
9100 |
GGB65AAL |
|
24×35×28 |
85 |
65 |
180 |
3000 |
14 |
M8×1 |
14 |
247.88 |
346.7 |
10400 |
10400 |
12900 |
GGB85AA |
|
351.45 |
441.26 |
12800 |
12800 |
17200 |
GGB85AAL | |
|
|
|
|
|
|
|