南京轴承厂 南京轴承有限公司 南京哈宁轴承制造有限公司 南京工艺装备制造有限公司
设为首页 加入收藏夹 联系我们
电话:025-52217447、86629730 QQ:349831866
图文传真:025-52300551 联系人:刘长岭 13801591302
首页 | 产品大全 | 贸易知识 | 技术知识 | 轴承知识 | 行业新闻 | 国内新闻 | 哈宁新闻 | 样本下载 | 轴承样本 | 现货信息 | 供应信息 | 价格信息 | 营业执照 | 企业商标 | 汇款资料 | 产品介绍 | 联系我们 | 价格表 | 微薄 |
搜索:

销售电话:138 0159 1302

您现在的位置是:首页 --->产品大全

产品信息及联系方式

GGB20滑块、GGB20滑块样本、GGB20滑块参数、GGB20南京滑块、GGB20导轨、AZI滑块、AZI导轨
生产厂家:南京哈宁轴承制造有限公司
公司地址:江苏省南京市莫愁路99号
联系电话:025-86629730、52217447、86622491
公司传真:025-52300551(电话:86622492、86622493)
联 系 人:刘长岭 13801591302
联系邮件:hrbn@vip.qq.com
产品价格:¥.00
网上报价:¥.00
产品信息及联系方式

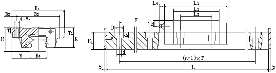
型 号

导轨副

滑块尺寸

尺寸

H

W

B1

B2

B3

K

T

T1

M1

L1

L2

L3

GGB16AA

24

15.5

47

4.5

38

19.4

7

11

M5

58

40.5

30

GGB20AA

30

21.5

63

5

53

24

10

10

M6

70

50

40

GGB20AAL

86

66

GGB25AA

37

23.5

70

6.5

57

30.5

12

16

M8

79.5

59

45

GGB25AAL

-36

98.5

78

GGB30AA

42

31

90

9

72

35

10

18

M10

95.2

70

52

GGB30AAL

117.2

92

GGB35AA

48

33

100

9

82

38

13

21

M10

107.8

81

62

GGB35AAL

131.8

105

GGB45AA

62

37.5

120

10

100

51

15

25

M12

135

102

80

GGB45AAL

-60

163

130

GGB55AA

70

43.5

140

12

116

57

20

29

M14

161

118

95

GGB55AAL

199

156

GGB65AA

90

53.5

170

14

142

76

23

37

M16

195

147

110

GGB65AAL

255

207

GGB85AA

110

65

215

15

185

94

30

55

M20

243.4

179

140

GGB85AAL

300.4

236

 导轨尺寸

油杯尺寸

额定

额定

额定力矩

动载

静载

d×D×h

B4

H1

F

单根

L4

G

N

C

C0

MA

MB

MC

最大

(KN)

(KN)

(N.m)

(N.m)

(N.m)

长度Lmax

 

 

 

 

 

4.5×7.5×5.3

16

15

60

500

2.5

Φ4

4

6.07

6.8

55.5

55.5

88.8

6×9.5×8.5

20

18

60

1400

11

M6

6

11.6

14.5

92.4

92.4

154

13.6

20.3

121.8

121.8

203

7×11×9

23

22

60

3000

11

M6

7.2

17.7

22.6

149.8

149.8

246

20.7

34.97

244.8

244.8

402

9×14×12

28

26

80

3000

11

M6

7

27.6

34.4

311.3

311.3

546

33.4

45.8

560

560

745.2

9×14×12

34

29

80

3000

11

M6

8

35.1

47.2

488

488

790

39.96

64.85

681

681

1102.45

14×20×16

45

38

100

3000

11

M6

12

42.5

71

848

848

1448

-105

64.4

102.1

1345.4

1345.4

2247.25

16×23×20

53

44

120

3000

14

M8×1

12

79.4

101

1547

1547

2580

92.2

142.5

2264.3

2264.3

3776.25

18×26×22

63

53

150

3000

14

M8×1

12

115

163

3237

3237

4860

148

224.5

4627.5

4627.5

6945.75

24×35×28

85

65

180

3000

14

M8×1

14

172.2

257.4

6076.4

6076.4

12842

202.3

327.6

9946.3

9946.3

15410

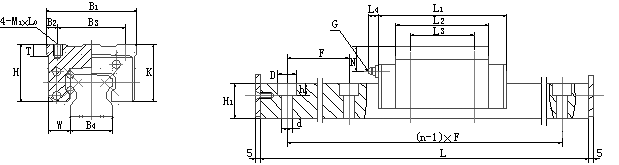
型号

导轨副尺寸

滑块尺寸

参考

价格

H

W

B1

B2

B3

K

T

M1×L0

L1

L2

L3

 

 

GGB16BA

28

9

34

4

26

23.4

6

M4×5.0

58

40.5

26

 

GGB20BA

30

12

44

6

32

24

8

M5×5

70

50

36

 

GGB20BAL

86

66

50

 

GGB25BA

40

12.5

48

6.5

35

33.1

8

M6×8

79.5

59

35

 

GGB25BAL

98.5

78

50

 

GGB30BA

45

16

60

10

40

38

8

M8×10

95.2

70

40

 

GGB30BAL

117.2

92

60

 

GGB35BA

55

18

70

10

50

47

10

M8×12

107.8

81

50

 

GGB35BAL

131.8

105

72

 

GGB45BA

70

20.5

86

13

60

60

15

M10×16

135

102

60

 

GGB45BAL

163

130

80

 

GGB55BA

80

23.5

100

12.5

75

67

18

M12×18

161

118

75

 

GGB55BAL

199

156

95

 

GGB65BA

90

31.5

126

25

76

76

23

M16×16

195

147

70

 

GGB65BAL

255

207

120

 

GGB85BA

110

39

163

31.5

100

94

30

M18×25

243.4

179

80

 

GGB85BAL

300.4

236

140

 

导轨尺寸

油杯尺寸

额定

额定

额定力矩

动载

静载

d×D×h

B4

H1

F

单根

L4

G

N

C

C0

MA

MB

MC

最大

(KN)

(KN)

(N.m)

(N.m)

(N.m)

长度Lmax

 

 

 

 

 

4.5×7.5×5.3

16

15

60

500

2.5

Φ4

9

6.07

6.8

55.5

55.5

88.8

6×9.5×8.5

20

18

60

1400

11

M6

5

11.6

14.5

92.4

92.4

154

13.6

20.3

121.8

121.8

203

7×11×9

23

22

60

3000

11

M6

10.2

17.7

22.6

149.8

149.8

246

20.7

34.97

244.8

244.8

402

9×14×12

28

26

80

3000

11

M6

10

27.6

34.4

311.3

311.3

546

33.4

45.8

560

560

745.2

9×14×12

34

29

80

3000

11

M6

17

35.1

47.2

488

488

790

39.96

64.85

681

681

1102.45

14×20×16

45

38

100

3000

11

M6

21

42.5

71

848

848

1448

-105

64.4

102.1

1345.4

1345.4

2247.25

16×23×20

53

44

120

3000

14

M8×1

22

79.4

101

1547

1547

2580

92.2

142.5

2264.3

2264.3

3776.25

18×26×22

63

53

150

3000

14

M8×1

12

115

163

3237

3237

4860

148

224.5

4627.5

4627.5

6945.75

24×35×28

85

65

180

3000

14

M8×1

14

172.2

257.4

6076.4

6076.4

12842

202.3

327.6

9946.3

9946.3

15410

产品分类
  微型深沟球轴承   深沟球轴承   调心球轴承   圆柱滚子轴承   调心滚子轴承   滚针轴承   角接触球轴承
  圆锥滚子轴承   推力球轴承   平面滚子轴承   偏心轴承   直线轴承   含油轴承   杆端轴承
  滚轮轴承   不锈钢轴承   叉车轴承   单向轴承   导轨滑块   组合轴承   英制球轴承
  汽车轴承   塑料轴承   高温轴承   关节轴承   滑动轴承座   外球面轴承   部分式轴承座
  紧定套   退卸套   外球面轴承座   外球面轴承带座   胀套   分离轴承   推力滚子轴承
  丝杠轴承   交叉滚子轴承   罗拉轴承   滚珠丝杆   转盘轴承   十字架轴承   双列球轴承
  钻具轴承   直线滑块   冲压轴承座   企业证书   推力关节轴承   轴承技术参数   非标轴承
  长圆柱滚子轴承   推力关节轴承   锌合金轴承座   轴承型号对照表   轴承座框架   英制圆锥滚子轴承   双列满滚子轴承
  直线轴承支撑   退卸套附件   水泵轴承   轴承附件   串联轴承   万向节   输送机专用轴承座
  回转支承   逆止器   弹性膜片联轴器   在线支付   滚动花键副   滚珠丝杠副   滚动直线导套副
  轴承加热器   薄壁角接触球轴承   薄壁深沟球轴承
关于我们 - 设为首页 - 加入收藏 - 营业执照 - 企业商标 - 汇款资料 - 产品介绍 - 联系我们 - 友情连接 - 企业库 - VIP会员
单位汇款资料:南京哈宁轴承制造有限公司 开户行及帐号:工行朝天宫分理处4301021409100005958
个人汇款资料:中国农业银行南京白下分行 6228460390011617510 刘长岭 苏ICP备16004265号-1