南京轴承厂 南京轴承有限公司 南京哈宁轴承制造有限公司 南京工艺装备制造有限公司
设为首页 加入收藏夹 联系我们
电话:025-52217447、86629730 QQ:349831866
图文传真:025-52300551 联系人:刘长岭 13801591302
首页 | 产品大全 | 贸易知识 | 技术知识 | 轴承知识 | 行业新闻 | 国内新闻 | 哈宁新闻 | 样本下载 | 轴承样本 | 现货信息 | 供应信息 | 价格信息 | 营业执照 | 企业商标 | 汇款资料 | 产品介绍 | 联系我们 | 价格表 | 微薄 |
搜索:

销售电话:138 0159 1302

您现在的位置是:首页 --->产品大全

产品信息及联系方式

HJG-DA30AB、HJG-DA30ABL、HJG-DA35AB、HJG-DA35ABL、HJG-DA45AB、HJG-DA45ABL、HJG-DA45BB
生产厂家:南京哈宁轴承制造有限公司
公司地址:江苏省南京市莫愁路99号
联系电话:025-86629730、52217447、52251441
公司传真:025-52300551
联 系 人:刘长岭 13801591302
联系邮件:hrbn@vip.qq.com
产品价格:¥.00
网上报价:¥.00
产品信息及联系方式

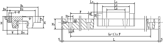
型号 导轨副尺寸 汉江滑块尺寸 重量KG
滑块 导轨
H W B1 B2 B3 K T T1 Ø L1 L2 L3
HJS-DA15AB 24 16 47 4.5 38 19.4 7 11 4.5 58 40.5 30 0.2 1.5
HJS-DA20AB 30 21.5 63 5 53 24 10 10 7 70 50 40 0.36 2.3
HJS-DA20ABL 86 66 0.47
HJS-DA25AB 37 23.5 70 6.5 57 30.5 12 16 7 79.5 59 45 0.6 3.3
HJS-DA25ABL 98.5 78 0.76
HJS-DA25BB 36 79.5 59 0.57
HJS-DA25BBL 98.5 78 0.72
HJS-DA30AB 42 31 90 9 72 35 10 18 9 95.2 70 52 1.1 4.6
HJS-DA30ABL 117.2 92 1.3
HJS-DA35AB 50 33 100 9 82 38 13 21 11 107.8 81 62 1.7 6.2
HJS-DA35ABL 131.8 105 2.1
HJS-DA35BB 48 107.8 81 1.6
HJS-DA35BBL 131.8 105 1.9
HJS-DA45AB 62 37.5 120 10 100 51 15 25 13 135 102 80 3 11.1
HJS-DA45ABL 163 130 3.5
HJS-DA45BB 60 135 102 2.8
HJS-DA45BBL 163 130 3.3
HJS-DA55AB 72 43.5 140 12 116 57 20 29 14 161 118 95 4.7 14.9
HJS-DA55ABL 199 156 6
HJS-DA55BB 70 161 118 4.4
HJS-DA55BBL 199 156 5.7
HJS-DA65AB 90 53.5 170 14 142 76 23 37 16 195 147 110 8.5 21.7
HJS-DA65ABL 255 207 10.7
HJS-DA85AB 110 65 215 15 185 94 30 55 18 243.4 179 140 17 36.1
HJS-DA85ABL 300.4 236 23
型号 汉江导轨尺寸 单根 额定 额定 额定力矩 油杯尺寸
长度 动载 静载
L4 G N B4 H1 F Lmax C C0 MA MB MC d×D×h
(KN) (KN) (N.m) (N.m) (N.m)
HJS-DA15AB 2.5 Φ4 4 16 15 60 500 6.07 6.8 55.5 55.5 88.8 4.5×7.5×5.3
HJS-DA20AB 11 M6 6 20 18 60 1400 11.6 14.5 92.4 92.4 154 6×9.5×8.5
HJS-DA20ABL 13.6 20.3 121.8 121.8 203
HJS-DA25AB 11 M6 7.2 23 22 60 3000 17.7 22.6 149.8 149.8 246 7×11×9
HJS-DA25ABL 20.7 34.97 244.8 244.8 402
HJS-DA25BB 17.7 22.6 149.8 149.8 246
HJS-DA25BBL 20.7 34.97 244.8 244.8 402
HJS-DA30AB 11 M6 7 28 26 80 3000 27.6 34.4 311.3 311.3 546 9×14×12
HJS-DA30ABL 33.4 45.8 560 560 745.2
HJS-DA35AB 11 M6 8 34 29 80 3000 35.1 47.2 488 488 790 9×14×12
HJS-DA35ABL 39.96 64.85 681 681 1102.45
HJS-DA35BB 35.1 47.2 488 488 790
HJS-DA35BBL 39.96 64.85 681 681 1102.45
HJS-DA45AB 11 M6 12 45 38 100 3000 42.5 71 848 848 1448 14×20×16
HJS-DA45ABL 64.4 102.1 1345.4 1345.4 2247.25
HJS-DA45BB 42.5 71 848 848 1448
HJS-DA45BBL 64.4 102.1 1345.4 1345.4 2247.25
HJS-DA55AB 14 M8×1 12 53 44 120 3000 79.4 101 1547 1547 2580 16×23×20
HJS-DA55ABL 92.2 142.5 2264.3 2264.3 3776.25
HJS-DA55BB 14 M8×1 12 53 44 120 3000 79.4 101 1547 1547 2580
HJS-DA55BBL 92.2 142.5 2264.3 2264.3 3776.25
HJS-DA65AB 14 M8×1 12 63 53 150 3000 115 163 3237 3237 4860 18×26×22
HJS-DA65ABL 148 224.5 4627.5 4627.5 6945.75
HJS-DA85AB 14 M8×1 14 85 65 180 3000 172.2 257.4 6076.4 6076.4 12842 24×35×28
HJS-DA85ABL 202.3 327.6 9946.3 9946.3 15410

产品分类
  微型深沟球轴承   深沟球轴承   调心球轴承   圆柱滚子轴承   调心滚子轴承   滚针轴承   角接触球轴承
  圆锥滚子轴承   推力球轴承   平面滚子轴承   偏心轴承   直线轴承   含油轴承   杆端轴承
  滚轮轴承   不锈钢轴承   叉车轴承   单向轴承   导轨滑块   组合轴承   英制球轴承
  汽车轴承   塑料轴承   高温轴承   关节轴承   滑动轴承座   外球面轴承   部分式轴承座
  紧定套   退卸套   外球面轴承座   外球面轴承带座   胀套   分离轴承   推力滚子轴承
  丝杠轴承   交叉滚子轴承   罗拉轴承   滚珠丝杆   转盘轴承   十字架轴承   双列球轴承
  钻具轴承   直线滑块   冲压轴承座   企业证书   推力关节轴承   轴承技术参数   非标轴承
  长圆柱滚子轴承   推力关节轴承   锌合金轴承座   轴承型号对照表   轴承座框架   英制圆锥滚子轴承   双列满滚子轴承
  直线轴承支撑   退卸套附件   水泵轴承   轴承附件   串联轴承   万向节   输送机专用轴承座
  回转支承   逆止器   弹性膜片联轴器   在线支付   滚动花键副   滚珠丝杠副   滚动直线导套副
  轴承加热器   薄壁角接触球轴承   薄壁深沟球轴承
关于我们 - 设为首页 - 加入收藏 - 营业执照 - 企业商标 - 汇款资料 - 产品介绍 - 联系我们 - 友情连接 - 企业库 - VIP会员
单位汇款资料:南京哈宁轴承制造有限公司 开户行及帐号:工行朝天宫分理处4301021409100005958
个人汇款资料:中国农业银行南京白下分行 6228460390011617510 刘长岭 苏ICP备16004265号-1