|
|
| 单向轴承ASNU12 12 3300 5000 1.6 35 13 28 2.4 0.6 0.3 4 1.4 12 |
|
 | 生产厂家: | 南京哈宁轴承制造有限公司 |
| |  | 公司地址: | 江苏省南京市莫愁路99号 |
| |  | 联系电话: | 025-86629730、52217447、52251441 |
| |  | 公司传真: | 025-52300551 |
| |  | 联 系 人: | 刘长岭 13801591302 |
| |  | 联系邮件: | hrbn@vip.qq.com |
| |  | 产品价格: | ¥.00 |
| |  | 网上报价: | ¥.00 |
| |
|
|
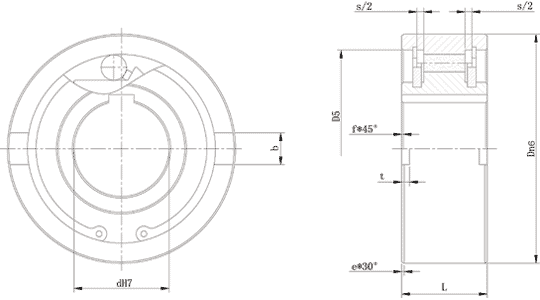
性能及尺寸
|
型号 |
扭矩能力(N.m) |
最大超越速度(r/min) |
拖动力(N.cm) |
尺寸值(mm) |
配合轴径(dh7) |
|
内圈 |
外圈 |
Dn6 |
L |
D5 |
s |
e |
f |
b |
t |
|
|
ASNU 8 |
12 |
3300 |
5000 |
1.6 |
35 |
13 |
28 |
2.4 |
0.6 |
0.3 |
4 |
1.4 |
8 |
|
ASNU 12 |
12 |
3300 |
5000 |
1.6 |
35 |
13 |
28 |
2.4 |
0.6 |
0.3 |
4 |
1.4 |
12 |
|
ASNU 15 |
30 |
2400 |
3600 |
1.9 |
42 |
18 |
37 |
2.4 |
0.8 |
0.3 |
5 |
1.8 |
15 |
|
ASNU 17 |
49 |
2300 |
3400 |
1.9 |
47 |
19 |
40 |
2.4 |
1.2 |
0.8 |
5 |
2.3 |
17 |
|
ASNU 20 |
78 |
2100 |
3100 |
1.9 |
52 |
21 |
42 |
2.4 |
1.2 |
0.8 |
6 |
2.3 |
20 |
|
ASNU 25 |
125 |
1700 |
2600 |
5.6 |
62 |
24 |
51 |
2.4 |
1.2 |
0.8 |
8 |
2.8 |
25 |
|
ASNU 30 |
255 |
1400 |
2200 |
14 |
72 |
27 |
60 |
2.4 |
1.8 |
1 |
10 |
2.5 |
30 |
|
ASNU 35 |
383 |
1200 |
1900 |
16 |
80 |
31 |
70 |
2.4 |
1.8 |
1 |
12 |
3.5 |
35 |
|
ASNU 40 |
538 |
1100 |
1700 |
38 |
90 |
33 |
78 |
2.5 |
1.8 |
1 |
12 |
4.1 |
40 |
|
ASNU 45 |
780 |
1000 |
1600 |
43 |
100 |
36 |
85 |
2.5 |
1.8 |
1 |
14 |
4.6 |
45 |
|
ASNU 50 |
1013 |
850 |
1350 |
55 |
110 |
40 |
92 |
2.5 |
1.8 |
1 |
14 |
5.6 |
50 |
|
ASNU 60 |
1825 |
750 |
1050 |
110 |
130 |
46 |
110 |
3.6 |
2.6 |
1.5 |
18 |
5.5 |
60 |
|
ASNU 70 |
2300 |
600 |
950 |
140 |
150 |
51 |
125 |
3.6 |
2.6 |
1.5 |
20 |
6.9 |
70 |
|
ASNU 80 |
3275 |
550 |
850 |
180 |
170 |
58 |
140 |
3.6 |
2.6 |
1.5 |
20 |
7.5 |
80 |
|
ASNU 90 |
5325 |
500 |
750 |
230 |
190 |
64 |
160 |
3.6 |
2.6 |
2 |
20 |
8 |
90 |
|
ASNU 100 |
7250 |
450 |
680 |
380 |
215 |
73 |
175 |
3.6 |
2.6 |
2 |
24 |
8.5 |
100 |
|
ASNU 120 |
13500 |
370 |
550 |
650 |
260 |
86 |
215 |
3.6 |
2.6 |
2.5 |
28 |
10 |
120 |
|
ASNU 150 |
26625 |
300 |
460 |
1000 |
320 |
108 |
260 |
3.6 |
3.6 |
2.5 |
32 |
12 |
150 |
|
ASNU 200 |
44500 |
230 |
350 |
2000 |
420 |
138 |
350 |
7.6 |
3.6 |
3 |
45 |
16 |
200 | |
|
|
|
|
|
|
|