南京轴承厂 南京轴承有限公司 南京哈宁轴承制造有限公司 南京工艺装备制造有限公司
设为首页 加入收藏夹 联系我们
电话:025-52217447、86629730 QQ:349831866
图文传真:025-52300551 联系人:刘长岭 13801591302
首页 | 产品大全 | 贸易知识 | 技术知识 | 轴承知识 | 行业新闻 | 国内新闻 | 哈宁新闻 | 样本下载 | 轴承样本 | 现货信息 | 供应信息 | 价格信息 | 营业执照 | 企业商标 | 汇款资料 | 产品介绍 | 联系我们 | 价格表 | 微薄 |
搜索:

销售电话:138 0159 1302

您现在的位置是:首页 --->产品大全

产品信息及联系方式

UCFS308外球面轴承、UCFS309-26外球面轴承、UCFS309-27外球面轴承、UCFS309-28外球面轴承、UCFS309外球面轴承、UCFS310-30外球面轴承、UCFS310-31外球面轴承、UCFS310外球面轴承、UCFS311-32外球面轴承、UCFS311-34外球面轴承、UCFS311外球面轴承、UCFS311-35外球面轴承、UCFS311-35外球面轴承
生产厂家:南京哈宁轴承制造有限公司
公司地址:江苏省南京市莫愁路195号
联系电话:025-86629730、52217447、52251441
公司传真:025-52300551
联 系 人:刘长岭 13801591302
联系邮件:hrbn@vip.qq.com
产品价格:¥.00
网上报价:¥.00
产品信息及联系方式

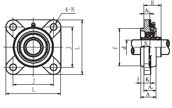
带座轴
承代号
轴径 外形尺寸(mm)

螺栓规格

轴承代码

座代号

重量(kg)

d L J A2 A1 A j K N f S E
(in.) (mm)
 UCFS305-14 7/8 110 80 9 22 29 7 13 16 80 15 32 M14 UC305-14 FS305 1.3
 UCFS305-15 15/16 110 80 9 22 29 7 13 16 80 15 32 M14 UC305-15 FS305 1.3
 UCFS305 25 110 80 9 22 29 7 13 16 80 15 32 M14 UC305 FS305 1.3
 UCF305-16 1 110 80 9 22 29 7 13 16 80 15 32 M14 UC305-16 FS305 1.3
 UCFS306-18 1-1/8 125 95 10 24 32 8 15 16 90 17 36 M14 UC306-18 FS306 1.9
 UCFS306 30 125 95 10 24 32 8 15 16 90 17 36 M14 UC306 FS306 1.9
 UCFS306-19 1-3/16 125 95 10 24 32 8 15 16 90 17 36 M14 UC306-19 FS306 1.9
 UCFS307-20 1-1/4 135 100 11 27 36 9 16 19 100 19 40 M16 YC307-20 FS307 2.4
 UCFS307-21 1-5/16 135 100 11 27 36 9 16 19 100 19 40 M16 UC307-21 FS307 2.4
 UCFS307-22 1-3/8 135 100 11 27 36 9 16 19 100 19 40 M16 UC307-22 FS307 2.4
 UCFS307 35 135 100 11 27 36 9 16 19 100 19 40 M16 UC307 FS307 2.4
 UCFS307 35 135 100 11 27 36 9 16 19 100 19 40 M16 UC307 FS307 2.4
 UCFS308-24 1-1/2 150 112 13 30 40 10 17 19 115 19 46 M16 UC308-24 FS308 3.3
 UCFS308-25 1-9/16 150 112 13 30 40 10 17 19 115 19 46 M16 UC308-25 FS308 3.3
 UCFS308 40 150 112 13 30 40 10 17 19 115 19 46 M16 UC308 FS308 3.3
 UCFS309-26 1-5/8 160 125 14 33 44 11 18 19 125 22 49 M16 UC309-26 FS309 4.0
 UCFS309-27 1-11/16 160 125 14 33 44 11 18 19 125 22 49 M16 UC309-27 FS309 4.0
 UCFS309-28 1-3/4 160 125 14 33 44 11 18 19 125 22 49 M16 UC309-28 FS309 4.0
 UCFS309 45 160 125 14 33 44 11 18 19 125 22 49 M16 UC309 FS309 4.0
 UCFS310-30 1-7/8 175 132 16 36 48 12 19 23 140 22 55 M20 UC310-30 FS310 5.3
 UCFS310-31 1-15/16 175 132 16 36 48 12 19 23 140 22 55 M20 UC310-31 FS310 5.3
 UCFS310 50 175 132 16 36 48 12 19 23 140 22 55 M20 UC310 FS310 5.3
 UCFS311-32 2 185 140 17 39 52 13 20 23 150 25 58 M20 UC311-32 FS311 6.2
 UCFS311-34 2-1/8 185 140 17 39 52 13 20 23 150 25 58 M20 UC311-34 FS311 6.2
 UCFS311 55 185 140 17 39 52 13 20 23 150 25 58 M20 UC311 FS311 6.2
 UCFS311-35 2-3/16 185 140 17 39 52 13 20 23 150 25 58 M20 UC311-35 FS311 6.2
 UCFS311-35 2-3/16 185 140 17 39 52 13 20 23 150 25 58 M20 UC311-35 FS311 6.2
 UCFS312-34 2-1/8 185 140 17 39 52 13 20 23 150 25 58 M20 UC311-34 FS311 6.2
 UCFS311 55 185 140 17 39 52 13 20 23 150 25 58 M20 UC311 FS311 6.2
 UCFS311-35 2-3/16 185 140 17 39 52 13 20 23 150 25 58 M20 UC311-35 FS311 6.2
 UCF312-36 2-1/4 195 150 19 42 56 14 22 23 160 26 64 M20 UC312-36 FS312 7.2
 UCFS312 60 195 150 19 42 56 14 22 23 160 26 64 M20 UC312 FS312 7.2
 UCFS312-38 2-3/8 195 150 19 42 56 14 22 23 160 26 64 M20 UC312-38 FS312 7.2
 UCFS312-38 2-3/8 195 150 19 42 56 14 22 23 160 26 64 M20 UC312-38 FS312 7.2
 UCFS312-39 2-7/16 195 150 19 42 56 14 22 23 160 26 64 M20 UC312-39 FS312 7.2
 UCFS313-40 2-1/2 208 166 15 40 58 15 22 23 175 30 60 M20 UC313-40 FS313 8.9
 UCFS313 65 208 166 15 40 58 18 22 23 175 30 60 M20 UC313 FS313 8.9
 UCFS314-44 2-3/4 226 178 18 43 61 18 25 25 185 31 65 M22 UC314-44 FS314 11
 UCFS314 70 226 178 18 43 61 18 25 25 185 31 65 M22 UC314 FS314 11
 UCFS315 75 236 184 21 48 66 18 25 25 200 32 71 M22 UC315 FS315 13
 UCFS315-48 3 236 184 21 48 66 18 25 25 200 32 71 M22 UC315-48 FS315 13
 UCFS316 80 250 196 18 48 68 20 27 31 210 34 70 M27 UC316 FS316 15
 UCFS317-52 3-1/4 260 204 24 54 74 20 27 31 220 40 80 M27 UC317-52 FS317 17
 UCFS317 85 260 204 24 54 74 20 257 31 220 40 80 M27 UC317 FS317 17
 UCFS318-56 3-1/2 280 216 24 56 76 20 30 35 240 40 80 M30 UC318-56 FS318 21
 UCFS318 90 280 216 24 56 76 20 30 35 240 40 80 M30 UC318-56 FS318 21
 UCFS319 95 290 228 39 74 94 20 30 35 250 41 101 M30 UC619 FS319 25
 UCFS319-60 3-3/4 290 228 39 74 94 20 30 35 250 41 101 M30 UC319-60 FS319 25
 UCFS320 100 310 242 39 74 94 20 32 38 260 42 105 M33 UC320 FS320 30
 UCFS320-64 4 310 242 39 74 94 20 32 38 260 42 105 M33 UC320-64 FS320 30
产品分类
  微型深沟球轴承   深沟球轴承   调心球轴承   圆柱滚子轴承   调心滚子轴承   滚针轴承   角接触球轴承
  圆锥滚子轴承   推力球轴承   平面滚子轴承   偏心轴承   直线轴承   含油轴承   杆端轴承
  滚轮轴承   不锈钢轴承   叉车轴承   单向轴承   导轨滑块   组合轴承   英制球轴承
  汽车轴承   塑料轴承   高温轴承   关节轴承   滑动轴承座   外球面轴承   部分式轴承座
  紧定套   退卸套   外球面轴承座   外球面轴承带座   胀套   分离轴承   推力滚子轴承
  丝杠轴承   交叉滚子轴承   罗拉轴承   滚珠丝杆   转盘轴承   十字架轴承   双列球轴承
  钻具轴承   直线滑块   冲压轴承座   企业证书   推力关节轴承   轴承技术参数   非标轴承
  长圆柱滚子轴承   推力关节轴承   锌合金轴承座   轴承型号对照表   轴承座框架   英制圆锥滚子轴承   双列满滚子轴承
  直线轴承支撑   退卸套附件   水泵轴承   轴承附件   串联轴承   万向节   输送机专用轴承座
  回转支承   逆止器   弹性膜片联轴器   在线支付   滚动花键副   滚珠丝杠副   滚动直线导套副
  轴承加热器   薄壁角接触球轴承   薄壁深沟球轴承
关于我们 - 设为首页 - 加入收藏 - 营业执照 - 企业商标 - 汇款资料 - 产品介绍 - 联系我们 - 友情连接 - 企业库 - VIP会员
单位汇款资料:南京哈宁轴承制造有限公司 开户行及帐号:工行朝天宫分理处4301021409100005958
个人汇款资料:中国农业银行南京白下分行 6228460390011617510 刘长岭 苏ICP备16004265号-1