|
|
| BJ30-64轴承、BJ40-90轴承、BJ40-100轴承、BJ45-100轴承、BJ55-120轴承、BJ35-100轴承、BJ39-100轴承、BJ45-120轴承、BJ60-140轴承 |
|
 | 生产厂家: | 南京哈宁轴承制造有限公司 |
| |  | 公司地址: | 江苏省南京市莫愁路195号 |
| |  | 联系电话: | 025-86629730、52217447、52251441 |
| |  | 公司传真: | 025-52300551 |
| |  | 联 系 人: | 刘长岭 |
| |  | 联系邮件: | lcl@8767.com |
| |  | 产品价格: | ¥.00 |
| |  | 网上报价: | ¥.00 |
| |
|

|
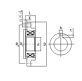
型号 |
外圈外径
D(mm) |
内圈内径
d(mm) |
键槽尺寸
b×t(mm) |
总高度
L(mm) |
内台阶外径
D1(mm) |
内台阶高度
E(mm) |
固定螺孔直径
n×d1(mm) |
螺孔中心圆直径2(mm) |
扭力Tn
N·m |
|
BJ30-64 |
98 |
30 |
8×3 |
22.5 |
64 |
3 |
三孔8.6 |
84.4 |
400 |
|
BJ40-90 |
138 |
40 |
10×3 |
22.5 |
90 |
3.5 |
三孔8.6 |
122.4 |
850 |
|
BJ40-100 |
138 |
40 |
10×3 |
22.5 |
100 |
3.5 |
三孔8.6 |
122.4 |
850 |
|
BJ45-100 |
138 |
45 |
12×3 |
22.5 |
100 |
3.5 |
三孔8.6 |
122.4 |
1100 |
|
BJ55-120 |
160 |
55 |
12×3.5 |
24.5 |
120 |
3 |
三孔9 |
140 |
2200 |
|
BJ35-100 |
136 |
35 |
10×3.5 |
39 |
100 |
3 |
六孔7 |
121 |
1300 |
|
BJ39-100 |
136 |
39 |
10×3.5 |
39 |
100 |
3 |
六孔7 |
121 |
1300 |
|
BJ45-120 |
149 |
45 |
12×3 |
39 |
120 |
3 |
六孔9 |
135 |
2500 |
|
BJ60-140 |
180 |
60 |
12×3 |
41 |
140 |
3 |
六孔9 |
165 |
2750 | |
|
|
|
|
|
|
|