|
|
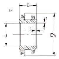
| RN205(502205)圆柱滚子轴承目录 |
|
 | 生产厂家: | 南京哈宁轴承制造有限公司 |
| |  | 公司地址: | 江苏省南京市莫愁路195号 |
| |  | 联系电话: | 025-86629730 |
| |  | 公司传真: | 025-52300551 |
| |  | 联 系 人: | 刘长岭 |
| |  | 联系邮件: | lcl@8767.com |
| |  | 产品价格: | ¥.00 |
| |  | 网上报价: | ¥.00 |
| |
|
 
| 轴径 |
轴承型号 |
外形尺寸(mm |
基本额定负荷(N |
极限转速(rpm |
参考重量 |
| (mm) |
新型号 |
原型号 |
内径 |
外径 |
宽度 |
动负荷 |
静负荷 |
脂润滑 |
油润滑 |
(kg) |
| d |
D |
B |
Mass |
| 25 |
RN205 |
502205 |
25 |
45 |
15 |
|
|
11000 |
14000 |
0.09 |
| 30 |
RN206 |
502206 |
30 |
53.5 |
16 |
36000 |
35500 |
8500 |
11000 |
0.11 |
| RN306 |
502306 |
30 |
62 |
19 |
49000 |
48000 |
7800 |
9800 |
0.197 |
| RN606 |
|
30 |
60 |
26 |
77000 |
84000 |
7000 |
8500 |
0.34 |
| RN606/YA |
|
30 |
68 |
26 |
87700 |
83900 |
6000 |
7200 |
0.44 |
| 35 |
RN207 |
502207 |
35 |
61.8 |
17 |
46500 |
48000 |
7500 |
9500 |
0.2 |
| RN307 |
502307 |
35 |
68.2 |
21 |
62000 |
63200 |
7000 |
9000 |
0.32 |
| 40 |
RN308 |
502308 |
40 |
77.5 |
23 |
81000 |
87000 |
6300 |
8000 |
0.41 |
| 45 |
RN309 |
502309 |
45 |
86.5 |
25 |
93000 |
98000 |
5600 |
7000 |
0.61 |
| 50 |
RN210 |
502210 |
50 |
80.4 |
20 |
61200 |
69200 |
6000 |
7500 |
0.29 |
| RN310 |
502310 |
50 |
95 |
27 |
105000 |
112000 |
5300 |
6700 |
0.79 | |
|
|
|
|
|
|
|