| JSA-LG15、JSA-LG20、JSA-LG20C、JSA-LG25、JSA-LG25C、JSA-LG30、JSA-LG30C |
|
|

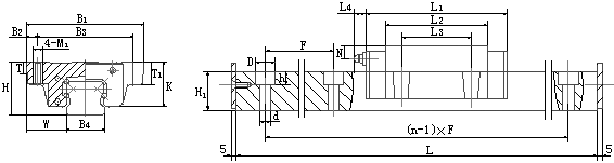
| 型 号 |
导轨副 |
精特精工滑块尺寸 |
参考重量 |
| 尺寸 |
| C(表示加长滑块) |
H |
W |
B1 |
B2 |
B3 |
K |
T |
T1 |
M1 |
L1 |
L2 |
L3 |
滑块 |
导轨 |
| KL(安装孔为螺孔) |
| KT(安装孔为通孔) |
个 |
米 |
| JSA-LG16KL |
24 |
16 |
47 |
4.5 |
38 |
19.4 |
7 |
11 |
M5 |
58.5 |
40.5 |
30 |
0.17 |
1.62 |
| JSA-LG20KL |
30 |
21.5 |
63 |
5 |
53 |
24 |
10 |
10 |
M6 |
71 |
50 |
40 |
0.33 |
2.3 |
| JSA-LG20KLC |
87 |
66 |
0.45 |
| JSA-LG25KL |
37 |
23.5 |
70 |
6.5 |
57 |
30.5 |
12 |
16 |
M8 |
83 |
59 |
45 |
0.55 |
3.3 |
| JSA-LG25KLC |
102 |
78 |
0.75 |
| JSA-LG30KL |
42 |
31 |
90 |
9 |
72 |
35 |
10 |
18 |
M10 |
97 |
70 |
52 |
1 |
4.7 |
| JSA-LG30KLC |
119 |
92 |
1.3 |
| JSA-LG35KL |
48 |
33 |
100 |
9 |
82 |
38 |
13 |
21 |
M10 |
109 |
81 |
62 |
1.45 |
6.5 |
| JSA-LG35KLC |
133 |
105 |
1.9 |
| JSA-LG45KL |
62 |
37.5 |
120 |
10 |
100 |
51 |
15 |
25 |
M12 |
137 |
102 |
80 |
2.6 |
11.2 |
| JSA-LG45KLC |
165 |
130 |
3.4 |
| JSA-LG55KL |
70 |
43.5 |
140 |
12 |
116 |
57 |
20 |
29 |
M14 |
161 |
118 |
95 |
4.3 |
15 |
| JSA-LG55KLC |
199 |
156 |
5.8 |
| JSA-LG65KL |
90 |
53.5 |
170 |
14 |
142 |
76 |
23 |
37 |
M16 |
199 |
147 |
110 |
7.3 |
22.2 |
| JSA-LG65KLC |
259 |
207 |
10.7 |
| 精特精工导轨尺寸 |
油杯尺寸 |
额定 |
额定 |
额定力矩 |
导轨尺寸 |
| 动载 |
静载 |
| 型 号 |
B4 |
H1 |
F |
单根 |
L4 |
G |
N |
C |
C0 |
MA |
MB |
MC |
dxDxh |
| 最大 |
(KN) |
(KN) |
(N.m) |
(N.m) |
(N.m) |
| 长度 |
| JSA-LG16KL |
16 |
15 |
60 |
500 |
2.5 |
Φ4 |
4 |
8.51 |
13.38 |
70 |
70 |
100 |
4.5×7.5×5.3 |
| JSA-LG20KL |
20 |
18 |
60 |
1400 |
11 |
M6 |
6 |
13.7 |
19.27 |
160 |
160 |
230 |
6×9.5×8.5 |
| JSA-LG20KLC |
18.43 |
26.5 |
260 |
260 |
310 |
| JSA-LG25KL |
23 |
22 |
60 |
3000 |
11 |
M6 |
7.2 |
20.19 |
22.6 |
149.8 |
149.8 |
246 |
7×11×9 |
| JSA-LG25KLC |
27.17 |
40.68 |
450 |
450 |
500 |
| JSA-LG30KL |
28 |
26 |
80 |
3000 |
11 |
M6 |
7 |
28.08 |
46.33 |
430 |
430 |
650 |
9×14×12 |
| JSA-LG30KLC |
37.77 |
61.77 |
720 |
720 |
870 |
| JSA-LG35KL |
34 |
29 |
80 |
3000 |
11 |
M6 |
8 |
34.97 |
58.53 |
610 |
610 |
1030 |
9×14×12 |
| JSA-LG35KLC |
46.43 |
76.54 |
1030 |
1030 |
1380 |
| JSA-LG45KL |
45 |
38 |
100 |
3000 |
11 |
M6 |
12 |
60.14 |
94.57 |
1290 |
1290 |
2100 |
14×20×16 |
| JSA-LG45KLC |
80.83 |
126.09 |
2080 |
2080 |
2790 |
| JSA-LG55KL |
53 |
44 |
120 |
3000 |
14 |
M8×1 |
12 |
92.62 |
137.57 |
2180 |
2180 |
3640 |
16×23×20 |
| JSA-LG55KLC |
126.51 |
187.6 |
3650 |
3650 |
4860 |
| JSA-LG65KL |
63 |
53 |
150 |
3000 |
14 |
M8×1 |
12 |
154.13 |
221.89 |
4170 |
4170 |
6800 |
18×26×22 |
| JSA-LG65KLC |
220.24 |
322.75 |
7300 |
7300 |
9100 |

|
|
|
|