南京轴承厂 南京轴承有限公司 南京哈宁轴承制造有限公司 南京工艺装备制造有限公司
设为首页 加入收藏夹 联系我们
电话:025-52217447、86629730 QQ:349831866
图文传真:025-52300551 联系人:刘长岭 13801591302
首页 | 产品大全 | 贸易知识 | 技术知识 | 轴承知识 | 行业新闻 | 国内新闻 | 哈宁新闻 | 样本下载 | 轴承样本 | 现货信息 | 供应信息 | 价格信息 | 营业执照 | 企业商标 | 汇款资料 | 产品介绍 | 联系我们 | 价格表 | 微薄 |
搜索:

销售电话:138 0159 1302

您现在的位置是:首页 --->最新信息
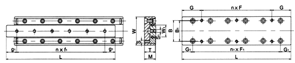
SGHA-3130滑台、SGHA-3155滑台、SGHA-3180滑台、SGHA-3205滑台
 
型号
主要尺寸
其它尺寸
滚柱个数
额定载荷(kN)
行程
W
M
L
工作台
 
 基座
B
F
n×F
G
S
F1
n1×F1
B1
G1
T
W1
S1
f1
n×f1
g1
Z
c
C0
SGHA-2035
18
30
12
35
22
28
1×28
3.5
M3
15
1×15
20
10
11.5
12.2
M3
20
1×20
7.5
5
0.51
0.51
SGHA-2050
30
50
43
1×43
3.5
2×15
15
2×15
10
7
0.69
0.76
SGHA-2065
40
65
30
1×30
17.5
3×15
3×15
9
0.85
0.98
SGHA-2080
50
80
45
1×45
17.5
4×15
4×15
12
0.98
1.27
SGHA-2095
60
95
30
2×30
17.5
5×15
5×15
14
1.18
1.57
SGHA-2110
70
110
45
1×45
32.5
6×15
6×15
17
1.47
2.06
SGHA-2125
80
125
45
2×45
17.5
7×15
7×15
19
1.57
2.25
SGHA-3055
30
40
16
55
30
40
1×40
7.5
M4
25
1×25
28.4
15
15.5
16
M4
35
1×25
10
6
1.27
1.37
SGHA-3080
45
80
65
1×65
7.5
2×25
25
2×25
15
10
2.16
2.84
SGHA-3105
60
105
50
1×50
27.5
3×25
3×25
13
2.94
4.22
SGHA-3130
75
130
75
1×75
27.5
4×25
4×25
17
3.63
5.69
SGHA-3155
90
155
50
2×50
27.5
5×25
5×25
20
3.92
6.37
SGHA-3180
105
180
75
1×75
52.5
6×25
6×25
24
4.02
6.57
SGHA-3205
130
205
75
2×75
27.5
7×25
7×25
26
4.22
7.16
 
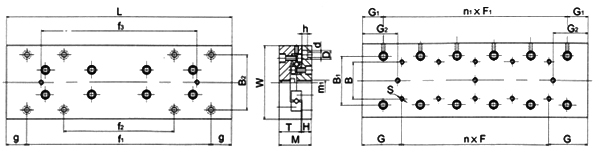
<><><><><><><><><><><><><><><><><><><>SGHB型滑台<><><><><><><><><><><><><><><><><><><>

 
型号
  
其它尺寸
 
滚柱个数
额定载荷
行程
W
M
L
工作台
基座 
 
n×F
G
S
B1
n1×F1
G1
G2
H
d×D×h
m1
B2
f1
f2
f3
g
Z
c
c0
SGHB-4085
50
80
35
85
40
 
42.5
M5
53
1×40
22.5
10.5
24
10.5
5.5×9.5×6
M4
60
65
 
 
 10
7
3.53
4.80
SGHB-4125
75
125
1×40
2×40
18
80
 
 
22.5
11
5.20
8.04
SGHB-4165
105
165
2×40
3×40
23
120
 
 
14
6.77
11.3
SGHB-4205
135
205
3×40
4×40
30.5
160
80
 
18
8.14
14.5
SGHB-4245
155
245
4×40
5×40
38
200
120
 
22
9.42
17.7
SGHB-4285
185
285
5×40
6×40
43
240
160
 
26
10.7
20.9
SGHB-6110
60
100
45
110
50
 
55
M6
63
1×50
30
16
31
13
7×11×7
M5
60
90
 
 
 
6
7.45
10.6
SGHB-6160
95
160
1×50
2×50
23.5
140
 
 
10
9
9.31
14.1
SGHB-6210
130
210
2×50
3×50
31
190
 
90
13
12.5
21.1
SGHB-6260
165
260
3×50
4×50
38.5
240
 
140
16
15.6
28.2
SGHB-6310
200
310
4×50
5×50
46
290
 
190
19
17.1
31.8
SGHB-6360
235
360
5×50
6×50
53.5
340
140
240
22
19.8
38.8
SGHB-6410
265
410
6×50
7×50
63.5
390
190
290
26
22.5
45.9
关于我们 - 设为首页 - 加入收藏 - 营业执照 - 企业商标 - 汇款资料 - 产品介绍 - 联系我们 - 友情连接 - 企业库 - VIP会员 - 贴吧
单位汇款资料:南京哈宁轴承制造有限公司 开户行及帐号:工行朝天宫分理处4301021409100005958
个人汇款资料:中国农业银行南京白下分行 6228460390011617510 刘长岭 苏ICP备16004265号-1